- 产品介绍
-
产品概述
HWTSVG-D动静态协同型无功补偿装置是将无源FC补偿支路与功率单元相结合,充分利用功率单元的动态调整能力,能够根据负荷变化动态调整补偿容量,实现对系统无功功率的动态调节,避免出现欠补和无功倒送的现象。
型号说明
技术参数
额定电压:6kV、10kV
额定频率:50 Hz
电压采样:A、C相线电压,AC100V
电流采样: B相,交流 0~5 A (电流互感器二次侧)
FC容量: 100~1500kvar
功率单元容量:300kvar
采样控制:单母线单采单控、双母线双采双控
安装方式:户内或户外
保护功能:过压、欠压、过流、速断、零序电压及功率单元过压、驱动故障、过流、高温、系统电源异常等保护;
使用环境:环境温度-25℃ ~ +40℃、海拔 ≤2000米、空气湿度 95%(25℃时)、周围空气没有明显的粉尘、腐蚀性或可燃性气体、水蒸气或盐雾的污染;
适用场景:适用于补偿容量小于2000kvar的场合,如小型变电站、开闭所或小型光伏电站等。
功能特点
动态调节:装置电容器采用分组接入,通过功率单元实现无功补偿容量段内连续动态调节,响应速度快,补偿效果好;
运行成本:由FC支路提供容性无功,功率单元提供连续可调的感性无功或容性无功,对系统功率因数进行实时矫正,具有损耗小、运行成本低的特点;
安全可靠:解决FC支路频繁投切导致的操作过电压和投切涌流问题,采用支路保护,避免保护死角;
适用性强:功率单元可单独使用,配合站内原有固定补偿电容器,增大无功调节能力。
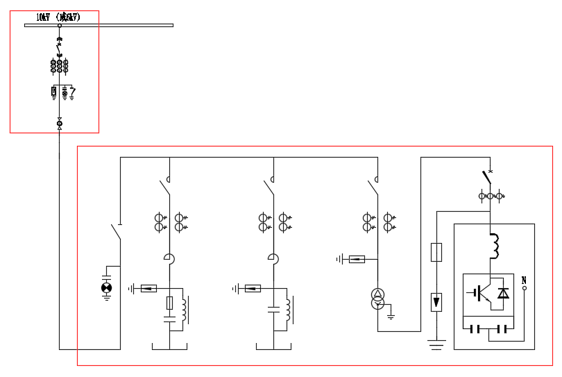
一次系统图
产品外形图

产品选型
产品型号
额定电压(kV)
额定容量(kvar)
电容分组(kvar)
柜式外形尺寸
(宽mm*深mm*高mm)
HWTSVG-D-□/□-10
10
600
FC(300)+SVG(300)
2850mm*1600mm*2500mm
900
FC(300+300)+SVG(300)
4050mm*1600mm*2500mm
1000
FC(300+400)+SVG(300)
4050mm*1600mm*2500mm
1200
FC(300+600)+SVG(300)
4050mm*1600mm*2500mm
1500
FC(400+800)+SVG(300)
4050mm*1600mm*2500mm
1800
FC(600+900)+SVG(300)
4050mm*1600mm*2500mm
说明:1、设备中的柜体尺寸可根据用户现场实际情况调整;
2、客户如有特殊需求,如电压等级不同,请于我司联系,我司竭诚为您服务。




